一般的描述
S358F是由兩個獨立的高增益運算放大器組成??梢允菃坞娫垂ぷ?,也可以是雙電源工作,電源的功耗電流與電源電壓大小無關。應用范圍包括音頻放大器、工業控制、DC增益部件和所有常規運算放大電路。采用DIP8或SOP8封裝形式。
特性
●可單電源或雙電源工作●包含兩個運算放大器●邏輯電路匹配●功耗小●頻率范圍寬
典型應用
●音頻放大器●工業控制●DC增益部件●常規運算放大電路
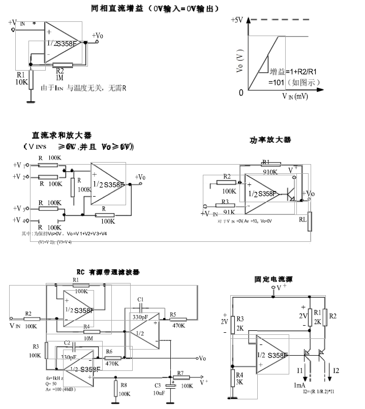
典型應用電路:

Copyright ? 2015-2023 紹興宇力半導體有限公司
浙公網安備33060202001577
浙ICP備2020037221號-1
技術支持:藍韻網絡