•產品描述:U0219是一種高頻,同步,整流,降壓,開關模式轉換器,內部功率mosfet。它提供了一個非常緊湊的解決方案,在寬輸入供電范圍內實現3A峰值輸出電流,具有出色的負載和線路調節。U0219 ECOT PSM控制操作提供非??焖俚乃矐B響應和簡單的環路設計以及非常嚴格的輸出調節。U0219需要最少數量的現成外部組件,并且可以在節省空間的SOT23-6封裝中使用。
•主要特點:寬4V至18v工作輸入范圍;2A最大輸出電流;500KHz開關頻率;短保護與hiccup模式;內置過電流限制;內置過壓保護;內部省電模式(PFM/PWM);內部軟啟動;110mQ/70mQ低RDS(ON)內部功率mosfet;輸出可從0.6V調節;不需要肖特基二極管;集成內部補償;熱關機;可在SOT23-6封裝;-40'C到+85°C的溫度范圍;ECOT PSM模式(u0219);
•典型應用:數字機頂盒(STB);平板個人電腦(Pad);平板電視和顯示器;Wi-Fi路由器/AP;數字錄像機(DVR);便攜式媒體播放器(PMP);電纜調制解調器/XDSL;一般用途
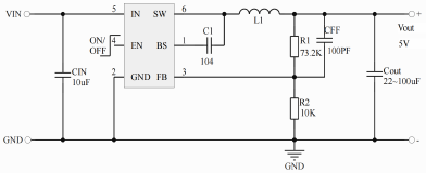
•典型應用電路:

Copyright ? 2015-2023 紹興宇力半導體有限公司
浙公網安備33060202001577
浙ICP備2020037221號-1
技術支持:藍韻網絡